Page Contents
ICF-7601(L) section
ICF-7601 (from [7])
General information
- Analog shortwave portable (dual conversion)
- Frequency coverage: LW (ICF-7601L), MW, 120m-75m (ICF-7601), 60m, 49m, 41m, 31m, 25m, 22m, 19m, 16m, 13m, FM.
- No external antenna jack
- No rec out jack
- 1st IF for SW1-9/SW2-10 (60m-13m): 10.7 MHz (pretty much separate from the FM section BTW)
- 2nd or only IF for AM: 455 kHz (120m-75m on ICF-7601, MW, LW on ICF-7601L: single conversion)
- AM IF filter: Murata ???455IT, possibly a 6-element CFWS, 4 kHz nominal (same as 7600DA/7700, xref'd per part no.), plus a tuned IFT, two extra (very wide) filters on the 1st IF of 10.7 MHz
- FM IF filter: unknown, but there's only one (all the "digitals" along with the ICF-7600A(W) and probably the ICF-7600(W) as well use two, and Grundig's Satellits even used three, which was only topped by four or even five cascaded ones in top grade FM tuners), with the expected barn door selectivity
- Does not really belong to the main 7600 line, being a descendant of the old ICF-7600A(W) and less expensive.
- The ICF-7601L covered LW instead of the 120m-75m range found on the ICF-7601. Interestingly the latter uses the ferrite rod for the resulting SW1 range.
- Spec'd battery life is 29 hours (FM)/26 hours (AM) with Sony SUM-3(NS) batteries (heavy duty = zinc chloride, much worse than alkalines), quite longish when compared to the digitals.
- Dimensions/weight: 192.5 x 122 x 35 mm, 570 g
- Audio output: 450 mW max @ 10% distortion
- Produced: 1988 ... 1993
- It cost DM 275 in Germany, apparently around $120-$130 in the US.
Pros
- SW reception about as good as on 7600A(W) – good selectivity and (if aligned properly) sensitivity
- Good dial accuracy
Cons
- A bit fiddlier to tune than the 7600A(W)
- Build quality not quite up to the series' standard (but then it was cheaper too)
- IM products appearing on shortwave bands with plenty of strong stations
- Some reports of failure of µPD65005C-198 control ASIC (let me know if there is any interest in designing a replacement, probably as a small PCB with some 74HC series logic ICs)
Additional information
Serial numbers
My own ICF-7601, unknown buying/mfg date, carries a S/N of 55087 – and yours?
Reader Marcelo from Brazil bought his 7601, S/N 46263, in Japan in October
of 1988, so it must have been made shortly before that.
Reader Barry found his unit, S/N 198,666, on the 'bay long after it was
made.
Reader Jorge from Argentina owned unit number 658115.
My findings
I bought a used ICF-7601 in 2003. It had apparently been someone's workshop radio, judging from the huge amounts of brownish dust inside and several paint sprinkles outside. Does work fine, though, apart from the tiny LED for the MW button. I conducted a head-to-head comparison with my trusty SW7600G (both just on the whip), which resulted in my first ever "official" radio review. Head over to my receiver review corner in order to read it.
Servicing and internals
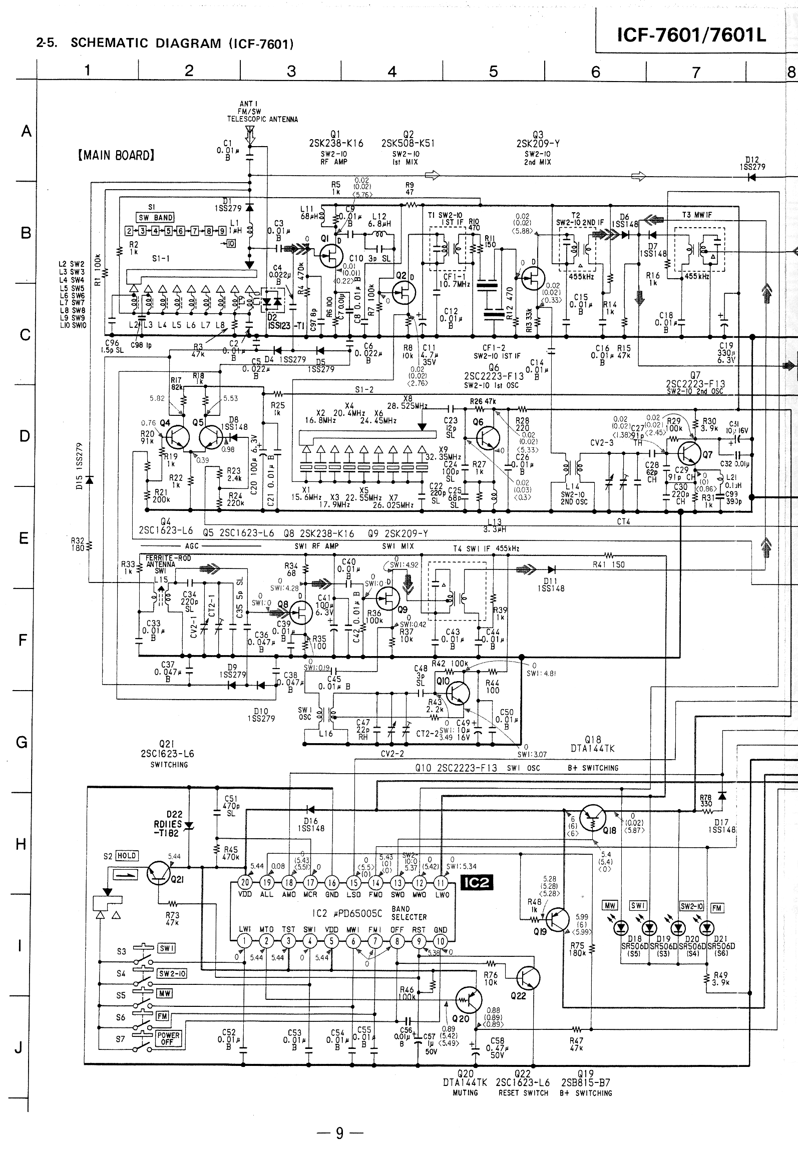
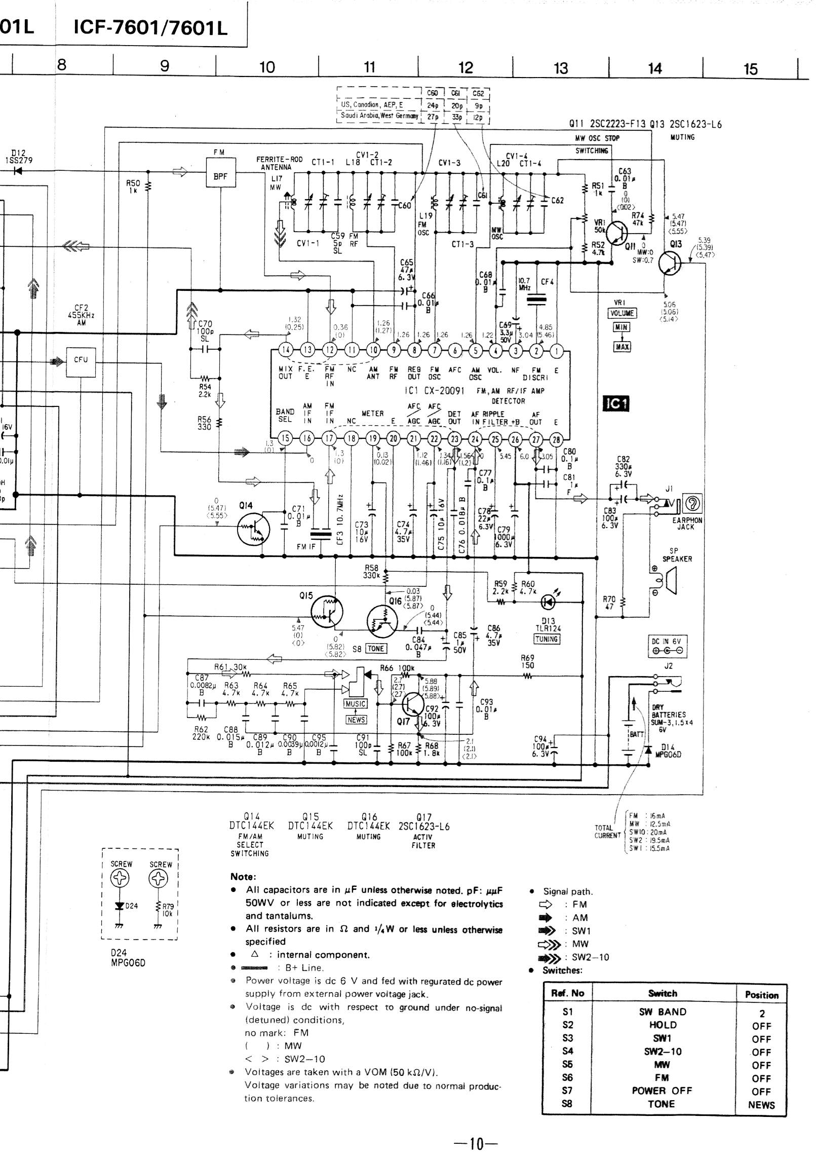
Service manual
Here's a complete scanned service manual for the
ICF-7601.
While this is of adequate quality, my own scan of the regular (non-L)
ICF-7601's schematic is somewhat better still:
ICF-7601 schematic (my scan), part 1 [298K]
ICF-7601 schematic (my scan), part 2 [271K]
More scans:
ICF-7601 PCB view [677K]
ICF-7601 schematic (rescan) [1.21M]
If you need a service manual in paper form, there are various sources that sell 'em. I have mentioned a local one in the misc links section.
Architecture overview
After having studied the service manual of the ICF-7601(L), I'd summarize the architecture of the set as follows:
The receiver features no less than four front ends: One for FM, one for MW,
one for LW (7601L) or SW1 (7601), and of course one for shortwave.
For FM and
MW, this turns out to be fairly simple, signals from the whip antenna or ferrite
rod antenna, respectively, are fed virtually directly to the CX20091 mixing,
demodulation and audio amp IC (I wouldn't be surprised if it also contained a
function for walking the dog, hi), where they're mixed to 10.7 MHz and 455 kHz,
respectively, output to the respective IF filters (one each for the FM and AM
ranges, FM unknown, AM some CFU class 4 element ceramic filter) and input again
to be demodulated.
Signals on SW1 or LW are received via the ferrite rod
antenna and undergo an RF amp with a 2SK238-K16 FET plus a mixer with a 2SK209-Y,
after which they're fed to the aforementioned AM filter on 455 kHz.
Now to the
most interesting part, the shortwave bands, where the receiver works with dual
conversion: After the antenna tuning circuit with switched coils, signals pass
an RF amp with a 2SK238-K16 FET and are mixed to about 10.7 MHz via the first
mixer utilising a 2SK508-K51 FET (which is quite similar to the ICF-SW35 front
end with its 2SK238-K16 and 2SK508-K52 FETs – not exactly super high tech, but
sufficient for a travel portable). The "about" part is because the mixer takes
its constant mixing frequency from a crystal oscillator with switched
crystals of 15.6 to 32.35 MHz, which leads to a mirror image of the whole band
(and more) around 10.7 MHz. (The "digitals", by comparison, vary this 1st
mixing frequency and thus can employ narrow crystal filters in the 1st IF to
reduce IM3 by the 2nd mixer – but they don't have to fear frequency instability
as much as analogs.) After this, two cascaded (and I suppose: sufficiently wide)
ceramic filters suppress unwanted frequency ranges that might contain strong
signals which could overload the 2nd mixer. This, BTW, uses a 2SK209-Y FET and
a variable mixing frequency (that's what you vary with the main tuning knob – a
"digital", by contrast, has a constant 2nd mixing frequency since the frequency
variation part already took place one IF earlier). Thus the wanted signal gets
mixed down to 455 kHz, passes the CFU filter and is finally demodulated in the
CX20091.
I found it interesting to find quite a number of similarities to the little ICF-SW20 (the service manual of which I found on the net) – a SW front end with 2SK238 as RF amp plus 2SK508 as 1st mixer and 2SK209 as 2nd mixer, two ceramic filters on the 1st IF which is variable (+/- 0.35 MHz in the case of the ICF-SW20), equally simple FM front end, same CX20091 multi-function IC (AM/FM mixing, demodulation, audio amp, walk the dog etc.), a CFU class AM filter and a single FM filter. The "little brother" uses less parts, of course, partly because of the lack of three frequency ranges (LW/SW1, 60m, 21/22m). The somewhat strange numbering of the parts with the ICF-SW20 (big gaps) might mean that the circuitry was a stripped-down version of a bigger version like the one in the ICF-7601 – that's not even that unlikely, given the ICF-SW20 appeared more than a year after the ICF-7601. Conversely, the ICF-7601 could be seen as a blown-up version of the ICF-4900.
While we're at it, there's a current receiver that employs a rather similar concept, the Tecsun R-9700DX (also sold as the Eton YB-250PE) – in particular, a variable 1st IF around 10.7 MHz (10.3...11.0 MHz) and a CFU class filter (2nd IF is 450 kHz though). The competing Degen DE1107 (also sold as Kaito KA1107) also uses it. A slightly beefed-up version with RF gain control and frequency counter / display is found in the Redsun RD1220.
A general note on the somewhat unusual dual conversion concept:
While it is remotely related to the well-known triple conversion
Wadley Loop concept in that it
uses a fairly wideband IF stage (the first IF in this case) and consequently
has similar issues with strong signal handling if the 2nd mixer isn't pretty
good, it actually bears a lot more resemblance to another 1950s concept,
namely the Collins 51J-4's for bands 4..30 (look here for
vintage Collins manuals, a block diagram is on page 5 of the 51J-4 section
4 scan; there are some cool details in there, like the xtals being used for two
adjacent bands each by using two different 1st IFs, and the xtal harmonics are
being used as well – seems like crystals were mighty expen$ive back then).
Sony chose the 1st IF of 10.7 MHz for easier 1st IF image rejection and the
availability of off-the-shelf ceramic IF filters, and the extensive RF and IF
level tracking found in the Collins set (3 tuned LCs on RF level and one on IF
level, all permeability tuned) shrinks to a single fixed resonant circuit per
band.
Drift is kept rather low as the tunable 2nd local oscillator only works in
a limited range around 11 MHz. (In the old ICF-7600A, an even more stable
configuration with the LO under the 1st IF was being used, although I think the
main reason for its better stability is better LO construction. The 2nd mixer
in the older set is less prone to overload as well.) And in fact, I think that
much improved readout accuracy and improved stability were the main reasons for
choosing this concept over a classic single conversion one, along with better
image and spurious rejection. In this form, it cannot reach the same raw
reception performance as a "normal" dual conversion concept; this would have
required both a tracking filter on the 1st IF and a beefier 2nd mixer. While
being quite ingenious when originally thought up around 1980, it already was
outdated by the time the ICF-7601 came out and inexpensive frequency counters
would have allowed a conventional dual conversion design with ultimately better
reception and readout accuracy (if not the same stability, always a problem
with wide-range analog tuned oscillators). These days, this receiver concept
really is something for weaker signal areas only, and I would therefore
hesitate to recommend buying a new receiver using it (they typically do seem to
have fairly good selectivity though).
Incidentally, the venerable
ICF-5900W isn't a Wadley receiver either, just an almost "normal" dual
conversion rx (with a tuned front-end and bipolar balanced mixer, btw) that
reuses some FM IF filters for the 1st SW IF, with a crystal-based marker
frequency generator (250 kHz) and a slightly and precisely adjustable 2nd LO
frequency thrown in. The trick when tuning the rx is finding a marker het close
to the desired frequency (.25 MHz accuracy shouldn't be a problem on the main
dial, so one knows where that is) and then using the fine tuning which allows
a decently precise readout of the frequency offset, thus the frequency can be
determined as precisely as the fine tuning dial allows. The critical part in
terms of drift remains the 1st LO.
It will seem that Sony likes to refresh existing IC designs once in a while, replacing older ICs with new functionally identical ones, probably to accomodate for changed production processes. The CX20091 got a followup called CXA1191M, then CXA1691M, later CXA1691AM and then CXA1691BM (substitute S for M for the DIP variant). Similarly, the CX20111 as used in the ICF-SW7600 and ICF-SW55 was followed by CXA1111M and CXA1611M. The interesting part is that if you can't find a datasheet for one version, one that covers another version generelly will also do (plus you can still buy at least the current iteration of such a chip in case a replacement is needed).
Specified power consumption
Total current spec from the schematic (with minimum output, I suppose):
- FM: 16 mA
- MW: 12.5 mA
- SW10 (13m): 20 mA
- SW2 (60m): 19.5 mA
- SW1 (120/90/75m) or LW: 15.5 mA
These pretty much suggest that batteries should really last an eternity and a half.
ICF-7600DA (ICF-7700) section
ICF-7700 (from [1])
General information
- Digital shortwave portable (dual conversion)
- Coverage: SW in 12 bands (90m to 11m), MW (3 kHz steps: 531 - 1602 kHz; 5 kHz steps: 530 - 1700 kHz), LW (150 - 285 kHz), FM (76 - 108 or 87.5 - 108 MHz)
- 5 kHz steps on SW, 3kHz/5kHz on MW, 3kHz on LW
- 3 x 5 presets (5 for LW/MW, 5 for SW, 5 for FM)
- No fine tuning
- No external antenna jack
- Rec out jack
- Alarm and sleep functions
- IFs of 10.71 MHz and 455 kHz ("normal" dual conversion with narrow xtal filter on 1st IF, similar to ICF-SW33 or ICF-SW30, but with unbalanced 1st mixer as in ICF-7601 or ICF-SW35)
- Switched tank circuits for antenna tuning / bandpass filtering for the individual shortwave bands, ferrite rod for MW/LW is untuned (preamp w/ feedback as in SW7600 etc.)
- AM IF filter: IFT + ???455IT, possibly a 6-element CFWS, 4 kHz nominal
- FM IF filters: 2x SFE10.7MA (the usual 280 kHz barn doors)
- Receiver part is based around a CXA1031M, apparently something proprietary that is likely to be quite similar to the all-in-one CXA1019 and CX20091/CXA1191 ICs (compared to the latter, the functionality and pinout are identical)
- 3-gang FM frontend
- Frequency synthesizer / microcontroller: µPD1715G
- Audio output: 400 mW at 10% THD
- Spec'd battery life: 19 hours with Sony SUM-3 (NS) zinc chloride cells
- Dimensions/weight: 192 x 117 x 32 mm, 610 g (incl. batteries)
- Produced: 1987 ... 1989
- List price in Germany: DM 498
Pros
- High sensitivity on FM
- Good speaker sound – with an open rear and a speaker driver that is glued to the cabinet, construction is similar to the ICF-7600A
- Modest battery drain for a PLL tuned set
Cons
- Shortwave reception stays behind ICF-7600A(W) and even more so ICF-7600D(S) (at least that's what a review of a presumably early sample said)
- According to one review: Modest selectivity on FM, also caused by too wide an AFC pulling range (hmm, I don't see any AFC at work on the schematic, the CXA1031's AFC pin is connected to the regulated voltage only, and besides, implementing an AFC in a PLL tuned system is not that easy; overall I'd say selectivity should be similar to the other "digital" models, which is OK but not exciting)
- No fine tuning on SW, which probably led to a comment about bad selectivity; in fact, the same IF filter as in the ICF-7601 is used
- Occasional electrolytic capacitor problems, even though (unlike the troublesome ICF-SW7600) it uses conventional through-hole electrolytics throughout; the – properly-bypassed – 47µ 4V electrolytic in the DC/DC converter appears to be the most common trouble spot (a 47µ 6.3V electrolytic or 47µ >=10V tantalum should make a good replacement)
Additional information
Links
Yahoo! Groups:
- 7600GR – you name it.
- 7600group – originally created with ICF-SW7600G in mind, abandoned and plagued by spam nowadays
AM band coverage
- LW: 150 .. 285 kHz (IT: 147 .. 285 kHz)
- MW: 531 .. 1602 kHz (3k) / 530 .. 1700 kHz (5k)
- 90m: 3050 .. 3565 kHz (except IT)
- 75m: 3700 .. 4215 kHz (IT: 3850 .. 4365 kHz)
- 60m: 4650 .. 5165 kHz
- 49m: 5800 .. 6315 kHz
- 41m: 6950 .. 7465 kHz
- 31m: 9375 .. 10010 kHz
- 25m: 11525 ..12160 kHz
- 22m: 13375 .. 14010 kHz
- 19m: 14975 .. 15610 kHz
- 16m: 17475 .. 18110 kHz
- 13m: 21325 .. 21960 kHz
- 11m: 25475 .. 26100 kHz
Specified power consumption
Total current spec from the schematic (with minimum output, I suppose):
- FM: 37 mA
- LW/MW, SW: 35 mA
Not that much of a battery hog. I guess this set was supposed to mimic an analog not only in look and feel but also in power consumption, being geared more towards the traveler rather than the shortwave enthusiast (who'd obviously prefer the '7600DS by quite a margin).
Servicing and internals
Service docs
Main board schematic plus corrections and changes from supplement-1 [1.24 megs]
Looking at the circuitry, I would agree with the assessment of adequate, but not outstanding shortwave performance. It still is a better set than an ICF-SW40/ICF-SW35 – at the same level of 1st mixer performance, the presence of band filters on RF level and a narrow crystal filter instead of a fairly wide ceramic FM IF filter on the 1st IF would certainly give it the edge in terms of strong-signal handling. (Combining a wideband frontend with an unbalanced first mixer – as found in these inexpensive sets – is not a very smart thing to do, as 2nd order intermod quickly becomes a major problem. Interestingly the preceding ICF-SW30 used a double balanced mixer, but its user interface left quite a bit to be desired.)
Links
ICF-7600DA disassembly pics and alignment description, all in Japanese but comprehensive. (Here's what Google Translation makes of it.)
Revisions
The ICF-7600DA/7700 underwent two revisions in its life. The first one in particular was not minor, indicating that several bugs had to be worked out. The resulting versions are:
- up to S/N 7901 (discrete AGC amp, more supply buffering capacity, adjustment trimmer on 75 kHz ref xtal)
- S/N 7902 through 62626 (µPC358G2 opamp based AGC amp, supply buffering reduced, capacitors around 75 kHz xtal changed, various other changes)
- S/N 62627 and higher (some more component value changes)
The original service manual bears a coppyright date of 1987.8, supplement-1 covering the S/N 62627 changes (and the Italian model) states 1988.1. Partly (but not solely) due to all the different versions, the service docs are pretty thick, in stark contrast to the 7601's minimal service manual! (That is 56 + 18 vs. 18 pages in total.)
In case you are wondering where the second AGC line used for post-preamp AGC went in post-7901 samples (unlike its predecessor circuit, the opamp based AGC amp has only one output), look at the first correction from supplement-1 – the main board schematic from the original service manual does not fully cover the changes. Said second AGC line was done away with, and D36/D37 biasing is now controlled via the first AGC line, with changed values for R94 and R95. This had me puzzled for a while.
AM distortion fix (S/N 7902 up) – pt. I
Should you experience audio distortion in the AM mode only, particularly with bass-heavy content, the AGC adjustment needs to be carried out. This is done by adjusting RV2 (a trim pot near the upper right corner of the main PCB's component side) so that a voltage of 1.275 V +/- 3mV is obtained over electrolytic capacitor C117 underneath while the set tuned to the SW1 band. Sounds easy – however, fairly comprehensive disassembly will be required to get to this point, which is not entirely trivial (see the next section as well as the linked Japanese page).
Disassembly / AM distortion fix – pt. II
Here's a description from reader Sandy Cameron from Canada, who had trouble with AGC-related distortion in AM on a post-62626 sample:
I bought this set NEW from a Sony dealer in 1985-6-7, have forgotten which year.
It has always worked well until the last year or so, when the distortion on AM started to creep in, and finally got bad enough to make me get in to it.My experience opening the set was not traumatic, I removed the 4 long screws marked by the arrows (on the back), then working along the first seam of the back cover with a pocket knife, discovered I should pry the back cover away from the thin spacer that runs around the set. I forget if the plastic hook catches need to be pressed in, or pried out, but the back cover came off without a fight. The track side of the analog board is now visible.
Unsolder the antenna wire from the board.
Suck the solder out of the hole for the ground wire that joins the 2 boards with a pump or wicking,
There is a screw between the lower edge of the board and the battery compartment to be removed. Thats all.
Now, find the molded-in plastic hooks that hold the board in place, and release the board and lift it up. If you want to go further, unplug the ribbon cable and fold the board back. [Ed. note: The ribbon cable connector on the board should be a two-part locking piece that releases the cable when the upper part is pushed upwards, similar to what the SW7600 has.]
I did this for inspection purposes, and when I had located RV2, I plugged it back in, and was able to operate the set with the board raised, so I could adjust RV2.
I did not get a VM accurate to 3 or 4 decimal places to adjust it, I just tuned a strong local AM mw music station, Listened on a set of High-Fi earphones with good bass response, and adjusted it for least distortion. It has worked like new ever since. [Ed. note: That seems like the most sensible way of performing the adjustment, given that we want the best possible real-life AGC performance.]
This is far as I went with the dis-assembly, but it was obvious that all you have to do to strip the set completely, is unsolder the wires to the speaker and leave it behind, glued to the front panel. If you want to operate the set out of the case, substitute another speaker, or use extension leads to the one in the case. There is no mechanical reason to remove the speaker from the case. It's not in the way of anything.
Italian model notes
While the differences between various international versions were generally pretty much restricted to FM coverage starting at either 76 or 87.5 MHz, the Italian model also shows different AM coverage. Most notably, the 90m band is left out, and 75m band coverage is shifted upwards a bit to start at 3850 kHz. Components for 90m are left out, and there's a different version of the microprocessor (µPD1715G-543 instead of µPD1715G-529) to take care of the changed band mappings (SW2 becomes SW1 and so on).
The shifted 75m coverage also means that the respective input tank circuit is peaked at 4100 instead of 3950 kHz, which does not make all that much sense given that actual stations are typically found between about 3950 to 4010 kHz. While I guess that it won't make a night-and-day difference, you may want to re-peak L3 at about 3980 kHz, preferably when you're working on such a set anyway. (The alignment instructions advise to connect a signal generator via 12 pF to where the telescopic aerial normally goes; ground is found next to this point.)
Next: ICF-7600D/DS / ICF-2002/2003, ICF-7600A, ICF-7600, Feature comparison, Utilities →
