Schaltpläne eindampfen
Tips und Tricks zur Verarbeitung
Das Problem ist altbekannt: Gegeben seien ein Service-Manual oder Schaltplan sowie ein handelsüblicher Flachbettscanner. Wie bekommt man die Doku nun in eine netztaugliche Größe, ohne einerseits zuviel Qualität und andererseits Optimierungspotential zu verschenken? Ich werde versuchen, hier darzustellen, wie ich es machen würde – was nicht immer optimal sein muß. Man wird ja auch nicht jünger und lernt zuweilen noch dazu…
Zur Zielvorgabe
Man kann heutzutage in guter Näherung davon ausgehen, daß der größte Flaschenhals bei der Verteilung von Daten das Netz selbst ist. Die Daten müssen irgendwo auf einem Server liegen, außerdem kostet Traffic irgendwen bares Geld, und wer nicht die allerschnellste Netzanbindung hat, wird über möglichst kleine Dateigrößen froh sein.
Andererseits ist der Nutzwert u.U. deutlich eingeschränkt, wenn die Qualität zugunsten des Datenvolumens gar zu sehr reduziert wird und z.B. Bauteilewerte unleserlich werden.
Folglich lohnt sich ein überlegtes Vorgehen bei der Bearbeitung, um zwischen beiden sich widersprechenden Anforderungen einen guten Kompromiß zu finden.
Der Scanvorgang
Generell gilt: Je sauberer der Scan, desto bessere Ergebnisse lassen sich damit erzielen!
Es empfiehlt sich, gegen einen schwarzen Hintergrund zu scannen.
Sonst tritt bei doppelseitigen Vorlagen nur allzugern Licht durch das Papier
hindurch, wird an der (meist weißen) Andruckplatte reflektiert und schafft es
noch einmal durch das Papier zum Scannersensor, was Inhalte der Rückseite
bestens zum Vorschein bringt – der reinste Horror, denn Serviceunterlagen
sind nicht ganz selten auf ziemlich dünnem Papier gedruckt (nicht zuletzt des
Platzbedarfs im Ordner wegen, nachdem Reparaturwerkstätten oft tausende solcher
Unterlagen rumstehen haben). Da Scanner mit schwarzer Andruckplatte reichlich
dünn gesät sind, habe ich mir kurzerhand etwas schwarzes Krepp-Papier besorgt
und dieses doppellagig mit Tesa auf der Unterseite des Scanners fixiert (ohne
Klebestreifen wäre ich nur ein halber Mensch :p
). Alternative wäre
ein Stück schwarzer Karton in etwa Scannerflächengröße, so etwas soll sich in
Schreibwarengeschäften erbeuten lassen (gab es hier nicht, dafür halt Krepp).
Wer einen Epson-Scanner besitzt, dessen "Epson Scan" einen "Professionellen Modus" bietet, sollte nach einem Andruckplatten-Mod der obigen Art die Option "Vorschaubild(T)" (für den Thumbnail-Modus, in dem automatisch nach Vorlagen gesucht wird) deaktivieren. Der Suchalgorithmus geht von einer weißen Andruckplatte aus und beschäftigt einen nicht ganz so schnellen Rechner nach dem Vorschauscan schon einmal minutenlang, ehe er aufgibt. Wenn man gerade eine etwas schiefe Vorlage auszurichten versucht, nagt das gehörig am Nervenkostum...
Die Vorlage sollte möglichst plan aufliegen, die kritischen Stellen also ggf. extra beschweren. (Auch Vorlagenbeschwerer sollte man schwarz verkreppen, sofern erforderlich.)
Es sollte darauf geachtet werden, daß die Beleuchtung des Scanners gut aufgewärmt ist und nach Möglichkeit während eines Dokumentes auch bleibt. (Dies gilt für CCFL-Beleuchtung, bei LED ist das natürlich eagl. Mein neuer mit Xenon-Lämpsche™ braucht ebenfalls nur so 5 Sekunden Aufwärmzeit.) Ändert sich die Farbbalance während des Scans merklich, ist die CCFL-Lichtquelle schon reichlich altersschwach – ist kein passender Ersatz aufzutreiben, so muß wohl ein neuer Scanner her.
Ich scanne bei größeren Plänen, die sich über mehrere Seiten erstrecken, i.d.R. mit etwas Überlappung. Generell ist "etwas größer als unbedingt nötig" nicht verkehrt, wegschnippeln kann man später immer noch was. Als große Erleichterung gerade bei Schaltplänen erweist sich ein A3-Scanner (kein ganz billiges Vergnügen, wenn man wie unsereins nicht mit einem Hauch von Plastik zufrieden ist, auf dem Gebrauchtmarkt sind allerdings grundsolide Geräte für ehemals jenseits der 1000€-Marke (autsch) zu schon deutlich humaneren Konditionen zu erstehen). Mancher Plan kann damit schon mal in einem Rutsch gescannt werden, zudem ist die Ausrichtung einfacher und das Handling unhandlicher Vorlagen deutlich angenehmer, da hängt nicht immer die Hälfte links und rechts raus.
Die Scanauflösung ist so zu wählen, daß alle Details sauber abgebildet werden und Artefakte durch Aliasing (die alten Probleme mit Rastern, Stichwort Moiré) sich in engen Grenzen halten. Ich komme mit 300 dpi eigentlich ganz gut aus, nur in Ausnahmefällen ist mehr erforderlich. Die Auflösung sollte sinnvollerweise auch bei großzügigerer Wahl noch in einem gesunden Verhältnis zum optischen Auflösungsvermögen des Scanners sowie Speicherverbrauch, Scan- und Bearbeitungszeit stehen.
Bei farbig vorliegenden Dokumenten würde ich gleich in Farbe einscannen (24 oder 48 Bit, je nach Fähigkeiten der Bildbearbeitungssoftware), bei monochromen oder graustufigen Dingen in Graustufen (8 oder 16 Bit).
Bietet die Scannersoftware Funktionen für Schwarz- und Weißpunktabgleich und Gamma, so sollte man diese – wenigstens für eine Grobeinstellung – nutzen. Ein guter Scanner hat schon mal einen Dynamikbereich entsprechend 12 Bit pro Kanal (3,6 D, 12 Blendenstufen, die A/D-Wandlung erfolgt dann typischerweise mit 14 Bit), und wenn die Software nur 8 Bit hergibt (sonst muß man schon zu kommerzieller Software greifen), sollte man sich den relevanten Teil heraussuchen, um eine gute Tonwertauflösung zu erreichen. In einfacheren Fällen ist das Ergebnis damit schon direkt aus dem Scanner gut verwendbar, was zusätzliche Arbeitsschritte spart.
Die Scannersoftware führt oft schon einen automatischen Weißabgleich durch. Diesen kann man bei kanalgetrennter Anpassung von Schwarz- und Weißpunkt auch noch feintunen.
Zur Scannerwahl
Größe
Nachdem Schaltungsunterlagen oft in A3 oder noch sperriger daherkommen, kann man bei der Scannergröße eigentlich nur empfehlen: So groß wie es Platz und Portemonnaie hergeben. Nötigenfalls den Gebrauchtmarkt unsicher machen – sonst kann man einen wirklich soliden A3-Scanner auch kaum bezahlen (da geht es erst bei etwa 1000€ los).
CCD vs. CIS
Hier handelt es sich um zwei sehr verschiedene Sensortypen, die sich auch entsprechend unterschiedlich verhalten.
Bei Scannern mit CCD-Sensor wird die gesamte Breite mittels einer speziellen gefalteten Weitwinkeloptik auf einen deutlich schmaleren CCD-Zeilensensor (Charge Coupled Device) abgebildet. Das birgt natürlich das Potential für zylindrische Abbildungsfehler aller Art, auch ist die Bauhöhe nicht zu vernachlässigen. Bei Verschmutzungen des Sensors kann es zu charakteristischer Streifenbildung kommen. (Eine hochwertige Optik und ein gut abgedichtetes Gehäuse sind also nützlich.) Dafür ist die Fokusebene relativ unkritisch. Hochwertige Exemplare mit hoher Auflösung haben teilweise automatische oder manuelle Fokussierfunktionen.
Ein CIS (Contact Image Sensor) ist, wie der Name schon verrät, ein Sensor, der praktisch auf der Vorlage aufliegt. Es ist ein Zeilensensor in CMOS-Technik mit integrierten Mikrolinsen. Oft ist gleich daneben auch eine LED-Beleuchtung integriert. Vorteile sind die sehr flache Bauform, reduzierter Stromverbrauch (womit dieser Sensortyp in Mobilscannern u.ä. beliebt ist) sowie bedingt durch den Wegfall der Optik eine sehr exakte Geometrie und hohe Bildschärfe bei billigerer Herstellung. Der Haken? Die Schärfentiefe liegt bei fast null. Wehe, wenn es die Vorlage wagt, sich stellenweise 2 mm über das Vorlagenglas zu erheben, dann ist ruckzuck Schluß mit scharf. (Beispiel gefällig?) Tja, und wieviele Schaltpläne ohne Knicke o.ä. laufen einem für gewöhnlich über den Weg...? (Wer jetzt "Beschweren!" ruft, der sollte es mal selbst probieren.)
Beleuchtung
Ein klassischer Typ von Lichtquelle in Scannern mit CCD-Sensor sind CCFLs (Kaltkathodenlampen), wie sie auch in LCD-Monitoren aller Art gängig sind. Diese sind relativ preisgünstig und liefern ein akzeptables Lichtspektrum. Nachteilig ist allerdings eine nennenswerte Aufwärmzeit bis zum Erreichen der vollen Helligkeit, typischerweise im Bereich von einigen 10 Sekunden bis zu einer guten Minute – da sollte man es nicht zu eilig haben. (Ordentliche Scanner erlauben es immerhin, die Lampe länger laufen zu lassen, so daß man nur beim jeweils ersten Scan warten muß. Ist nebenbei auch besser für die Lebensdauer, wenn die nicht ständig an- und ausgeschaltet wird.)
Gängig in Scannern mit CIS-Sensor, aber auch sonst zuweilen eingesetzt, sind LED-Lichtquellen. Diese sind sofort einsatzbereit und platzsparend, auch kommen sie vollständig mit Niederspannung aus. Das Lichtspektrum ist allerdings alles andere als kontinuierlich, maximale Farbtreue ist hier also nicht unbedingt zu erwarten. Das ist für übliche Schaltungsunterlagen und andere Dokumente kein Problem, bei anderen Vorlagentypen aber durchaus.
Xenonlampen (wie z.B. diese) werden nur in wenigen hochwertigen Scannern eingesetzt. Ihr breitbandiges Lichtspektrum ermöglicht eine gute Farbtreue. Die Aufwärmzeiten liegen im einstelligen Sekundenbereich und sind damit gut vertretbar.
Allgemeines zur Konstruktion
Von leichtgewichtigen Billigscannern kann man eigentlich nur abraten. Die sind für gewöhnlich etwa so dicht wie ein Sieb und verstauben damit innen sehr leicht (ein einfacher A4-Plustek war hier erschreckend). Auch sind sie in Ermangelung eigener Rechen- bzw. Speicherkapazitäten ziemlich langsam.
Nützlich im Büro bei hohem Scanaufkommen: ein automatischer Dokumenteneinzug (ADF). So etwas verteuert den Scanner aber doch merklich. Man achte auf die Langlebigkeit der Konstruktion – es ist wenig witzig, wenn nach ein paar hundert Seiten die Gummirollen fertig sind. Daß man so etwas nicht gerade fragile historische Dokumente anvertraut, versteht sich von selbst.
Software
Ich greife primär auf XnView in der jeweils aktuellen Version für Windows zurück (liest praktisch unendlich viele Bildformate, kann auch im Hinblick auf das Thema dieser Seite einiges und kostet nix) – Angaben hier beziehen sich auf 1.94.2 (1.91.4 war teilweise noch anders). Der steinzeitliche Paint Shop Pro 4.12 wird nur noch selten genutzt, höchstens für Retuschezwecke.
Wer mehr zu IrfanView tendiert, der kann sich z.B. die Anleitungen bei RMorg zu Gemüte führen.
Erste Bearbeitungsschritte
Schräglage korrigieren
XnView hat leider (noch) keinen wirklich hochqualitativen Interpolationsalgorithmus für die Drehfunktion (nur bilinear oder sowas), so daß i.d.R. die Schärfe etwas leidet. Insofern würde ich versuchen, die Vorlage möglichst gerade einzuscannen, gerade wenn nachher die Auflösung nicht deutlich reduziert werden soll.
Bei Drehung ggf. Hintergrundfarbe passend wählen (kann nützlich sein) und hinterher zuschneiden (XnView: Gewünschten Bereich markieren, Shift-X.)
Scans zusammenfügen
Hierfür kann man z.B. grundsätzlich Hugin mit Drumherum einsetzen. Selbst ausprobiert habe ich den Microsoft Image Composite Editor (erhältlich für 32- und 64-Bit-Windows-Versionen ab XP), der funktioniert ganz gut und läuft vollautomatisch.
Schwarz- und Weißpunktabgleich
Flaue Scans und auf weiß durchscheinende Inhalte der Rückseite bekommt man gut mit einer Einstellung des Schwarz- und Weißpunktes in den Griff. Bei XnView mit deutscher Übersetzung findet sich diese nützliche Funktion im Menü "Bild" unter "Einstellen" >> "Schwarz-/Weißpunkt" (bzw. bis 1.91.4 unter "Anpassen" >> "Stufen"), neuerdings auch ist sie auch direkt mit Hotkey L aufzurufen. Auch wenn die Scannersoftware schon eine solche Funktion hat, ist doch oft noch etwas Feintuning nötig.
Zuweilen sieht man schon im angezeigten Histogramm, wo man sinnvollerweise Schwarz- und Weißpunkt hinlegt. Genauer läßt sich dies untersuchen, wenn man im Menü "Ansicht" den Punkt "Farbinformationen anzeigen" auswählt resp. die zuständige Standard-Tastenkombi Ctrl-Shift-I drückt und dann die RGB- bzw. Helligkeitswerte relevanter Bildbereiche (z.B. dunkelste Bereich des an sich weißen Hintergrunds und größere an sich schwarze Stellen) ansieht.
Tip: Bei Einstellung der Werte vorübergehend "Auf Bild anwenden" deaktivieren, gerade auf langsameren Rechnern.
Wird einem das Resultat nach SW/WP-Anpassung zu hell, am Gamma drehen: Bild >> Einstellen >> Helligkeit/Kontrast/Gamma/Farbbalance. Die Einstellungen für "Helligkeit" und "Kontrast" möglichst nicht benutzen, da sie zu unnatürlich-merkwürdigen Resultaten führen können.
Größenänderung
Eine Verringerung der Größe auf ein sinnvolles Maß ist oft einer der ersten Schritte. Man sollte auf jeden Fall noch alle relevanten Details gut erkennen können. Ich versuche es typischerweise mit Halbierung, Drittelung und Viertelung der Originalabmessungen (Taschenrechner könnte hilfreich sein).
Wichtig ist die Wahl des Interpolationsalgorithmus. Bot hier der über 10 Jahre alte Paint Shop Pro mit Rücksicht auf damalige Rechner gerade einmal "nächster Nachbar" (als "Resize", primitiv und mit furchtbarem Ergebnis, dafür sehr schnell) und "bilinear" (als "Resample", schon besser, weniger schnell, aber immer noch nicht wirklich gut) an, so fährt XnView unter "Bild" >> "Größe ändern" alias Shift-S gleich eine ganze Latte auf. Sehr gute Resultate mit exzellenter Unterdrückung von Aliasing (da kommt so manche kommerzielle Software nicht mit) trotz hoher Bildschärfe liefert "Lanczos". Einziger potentieller Nachteil ist eine minimale Schattenbildung neben Linien (z.B. schwarz auf weiß), die man durch leichte Anpassung des Weißpunkts (typisch 251) entsorgen kann. (Bei inversen Vorlagen ist entsprechend der Schwarzpunkt anzupassen.) Sonst kann man natürlich auch auf andere Algorithmen wie "Hanning" ausweichen. (Früher habe ich "Bspline" mit anschließender Nachschärfung auf ca. 38 verwendet, das liefert – das Zoneplate-Muster verrät's – eine etwas geringere Diagonalauflösung als "Lanczos", ist aber ebenfalls praktisch frei von Aliasing.)
Man sollte die nominelle Bildauflösung ("Einheiten" unter "Druckgröße" im selben Dialogfeld) am besten gleich mit anpassen. (Das ist nur ein Zahlenwert, der im Bild vermerkt wird, damit nachher die Druckgröße stimmt.) Alternativ "Druckgröße beibehalten" anhaken.
Hinweis: Bei Verwendung von DjVu als Endformat kann eine (zu starke) Verkleinerung sogar nachteilig sein. In diesem Fall erst einmal so probieren.
Retusche
Auch nach dem Schwarz- und Weißpunktabgleich noch präsente Verschmutzungen o.ä. sind i.d.R. leicht durch Markieren und Menü "Bearbeiten" >> Löschen zu entfernen (Hintergrundfarbe ggf. richtig einstellen!). Analog kann man mit dunkleren Rändern verfahren.
Textmarker entfernen? Kein Problem – Bereich markieren, kopieren, als neues Bild einfügen (Ctrl-Shift-V), dieses in 256 Graustufen konvertieren, Grauschleier per Schwarz- und Weißpunktabgleich verschwinden lassen, wieder zurück in 24 Bit konvertieren, kopieren, zurück zum Ausgangsbild und dort "normal", also in die noch bestehende Auswahl einfügen.
Knifflig wird's, wenn einzelne Elemente beschädigt oder verschmutzt sind. Diese kann man ggf. von anderen Stellen klonen, aber die Einpassung verlangt i.d.R. nach einem "richtigen" Bildbearbeitungsprogramm z.B. mit Airbrush-Funktion. (Da gibt es durchaus auch kostenlose, etwa den aus dem Linux-Umfeld bekannten GIMP.)
Vorlagenabhängiges Vorgehen
Monochrome Seiten
Für monochrome Seiten mit Text und einfachen S/W-Zeichnungen reicht oft eine recht kleine Endauflösung, typisch 100 ppi, zuweilen 150 ppi. Für Schaltpläne, gerade wenn ich da z.B. an die dicht gedrängten von Kenwood Anfang der 80er denke, muß es allerdings i.d.R. etwas mehr sein.
Nötigenfalls schärfen. (Menü "Filter" >> "Effekte", dann "Verschiedenes" >> "Schärfen". Normalerweise empfehle ich aufgrund von Schärfungsartefakten nicht mehr als 38-39, bei monochromen Dingen mit richtigem Schwarz- und Weißpunkt kann man aber auch mal auf 50 gehen.)
Typischerweise kann man so etwas recht gut auf 8 Graustufen reduzieren (Menü
"Bild" >> "Graustufen (8 Bit)" >> "8 Graustufen" bzw. "8 Graustufen
(gerastert)", je nach Aussehen und resultierender Dateigröße). Bei Bedarf noch
einmal SP/WP-Anpassung durchführen, notfalls auf 16 bzw. 16 gerastert gehen.
Von 1-Bit-Monochrom bin ich inzwischen wieder ab, es ist nicht sehr
anzeigefreundlich.
Abspeichern als PNG oder GIF, je nach resultierender Größe.
Seiten mit graustufigen Abbildungen
Auflösung wiederum wie benötigt.
Solche Vorlagen sind aufgrund der grauen Flächen, vielleicht sogar noch mit
Druckraster, ein recht harter Brocken für verlustfreie Bildformate. Der
ultimative Trick heißt hier "16 Graustufen (gerastert)" (zu erreichen wie
oben). Damit läßt sich die Dateigröße in PNG noch unter die mit JPEG bei
vernünftiger Qualitätseinstellung drücken, ohne daß (eine gewisse Auflösung
vorausgesetzt) ein nennenswerter Unterschied zum Original in 256 Graustufen zu
sehen wäre – bessere Qualität bei kleinerer Dateigröße, was will man
mehr. 8 Graustufen gerastert sind dagegen schon zuwenig.
Oft wird so etwas in 1-Bit-Monochrom gepreßt, was furchtbar aussieht und
ggf. auch den Nutzwert deutlich schmälert.
Schaltpläne mit grauen Flächen
Wiederum ist hier "16 Graustufen (gerastert)" der entscheidende Trick. Allerdings hat hier auch JPEG zuweilen gute Chancen – im Zweifelsfall ausprobieren.
Schaltpläne mit einfarbigen Flächen
Wieder eine recht harte Nuß. Da solche Vorlagen aber vom Farbton her nur
wenig kritisch sind, läßt sich hier sehr gut eine Reduktion auf 256 Farben mit
angepaßter Palette durchführen:
XnView bis 1.91.4: Menü "Bild" >> "Farben (8 Bit)" >>
"256 Farben (adaptiv)". Der Algorithmus von XnView arbeitet sehr gut und nutzt
die Palette bei guter Farbtreue voll aus.
XnView ab 1.92: Hier wurde das Untermenü "Farben (8 Bit)" ersetzt durch
einen Dialog, in dem Anzahl der Paletteneinträge in Zweierpotenzen und
Ditheringverfahren ausgewählt werden können. Die Palettengenerierung ermöglicht
nun zwar eine insgesamt bessere Farbtreue, ist aber insofern etwas kapriziös,
als daß sie sich ungern an die Enden des Helligkeitsspektrums wagt - reines
Weiß (255,255,255) mutiert oft zu (251,252,251) o.ä., und Schwarz (0,0,0) wird
oft zu (5,4,6); dafür steht ein weit besseres Ditheringverfahren
(Floyd-Steinberg) zur Verfügung. Am besten hinterher Schwarz- und Weißwert
anpassen, und wenn es dann zu hell wird (hätte man mal vorher etwas "Luft"
gelassen – alternativ einfach rückgängig und Gamma etwas runterziehen,
dann nochmal mit 256 Farben versuchen), den Weißpunkt nicht ganz soweit
runterziehen und das Weiß durch manuelle Bearbeitung der entsprechenden
Eintrags in der Palette (Bild >> Farbpalette bearbeiten) hinmogeln (z.B.
(253,255,253) nach (255,255,255)).
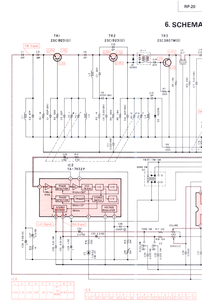
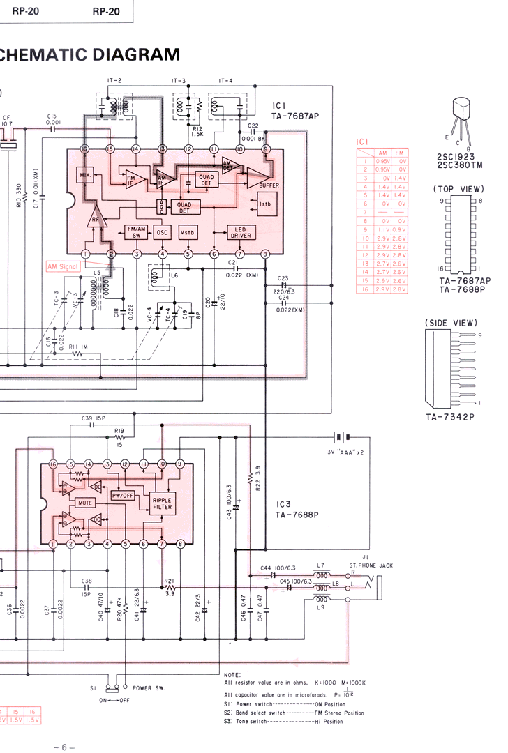
Ein Paradebeispiel ist der Schaltplan des Toshiba RP-20:
XnView 1.91.4: Teil 1 (PNG, 105K),
Teil 2 (PNG, 116K)
XnView 1.92.1 (neu ausgehend vom Scan mit höher angesetztem Schwarzpunkt,
deswegen die deutlich andere Dateigröße): Teil 1
(PNG, 112K), Teil 2 (PNG, 128K)
Seiten mit graustufigen Abbildungen und einfarbigen Anteilen
Das ist der erste Fall, in dem das JPEG-Format eine ernsthafte Chance gegen "256 Farben (adaptiv)" hat – vorausgesetzt, man stellt das Subsampling ab (auf "1x1, 1x1, 1x1" in den Formatoptionen). Bei gleicher Dateigröße kann es da schon mal Geschmacksfrage sein, ob man JPEG oder PNG mit 256 Farben (adaptiv) den Vorzug gibt. Mit JPEG geht's noch kleiner, aber irgendwann natürlich auf Kosten von Farbsättigung und Schärfe.
Beispiel: 256 Farben, PNG, JPEG (Qualität 90, Subsampling 1x1, 1x1, 1x1). (Schon bei 85 ist der Verlust in Sachen Schärfe und Sättigung deutlich, brauchbar ist das Resultat aber nach wie vor.) Bei gleichen Einstellungen hat JPEG aber beim sehr "sauberen" und scharfen Scan aus dem letzten Abschnitt schon das Nachsehen, die Dateigröße fällt mit 164K (für Teil 2) deutlich höher aus.
Handhabung vergilbter Vorlagen
Bei rein monochromen oder graustufigen Vorlagen ist Vergilbung kaum ein Problem – der Schwarz- und Weißpunktabgleich wird's schon richten. Problematisch wird's, wenn die Vorlage farbig und die Vergilbung stark ist. Ein klassischer Weißabgleich produziert fast zwangsläufig Mist, da der Einfluß der Vergilbung von der Deckkraft der verwendeten Farben abhängt. (Vielleicht wäre die kanalgetrennte Einstellung von Schwarz- und Weißpunkt eine Möglichkeit. Schwarzpunkt überall fast gleich, Weißpunkt entsprechend Vergilbung.) Vorschläge zur Lösung dieses Problems werden gern entgegengenommen.
Endformate
Einzelne Bilder
Man kann natürlich klassisch jeden bearbeiteten Scan einzeln als Bild
abspeichern, typisch verlustfrei als PNG oder (bis 256 Farben/Graustufen) GIF
und verlustbehaftet als JPEG, wie oben bereits ausgeführt. Damit das ganze dann
etwas handlicher wird, empfiehlt sich das Packen in ein Archiv, das klassische
ZIP-Format ist dabei für bereits gepackte Daten nicht das schlechteste
(ausgefeiltere moderne Verfahren erzeugen bei so etwas nur mehr Overhead). Will
man das Archiv größenbedingt aufteilen, so kann das z.B.
7-Zip schon von sich aus; das
Zusammensetzen kann in diesem Fall unter Windows notfalls auch mit
copy /b
erfolgen.
Wer auf kleinste Archivgröße schielt, sollte übrigens einmal in den PNG/GIF-Fällen das schnöde unkomprimierte Windows-Bitmap-Format (BMP) ausprobieren - so manches Mal ist ein gezipptes (oder ge7-zipptes) BMP eine ganze Ecke kleiner! Das fiel besonders bei graustufigen Dingen auf, die so oft noch einmal um 15% kleiner wurden (bei Farbscans in 8 Bit dagegen waren nur etwa 5% herauszuholen).
Auf Nutzerseite schon komfortabler zu handhaben ist das PDF-Format von Adobe. Eigentlich ist es nicht unbedingt mein Lieblingsformat, da die verlustfreie Kompression (Flate) nicht ganz so gut arbeitet wie die von PNG (LZ77 oder so) und das resultierende Datenvolumen etwas größer ausfällt. Dafür kann damit bald jeder Rechner etwas anfangen, der etwas auf sich hält.
PDF-Import
Manchmal findet man bereits gescannte Dokumente in PDF-Form, die aber gigantisch groß sind, weil nicht hinreichend optimiert wurde – ich bin z.B. mal an die Doku zum Grundig ST6500 gekommen, die selbst in Graustufen noch stattliche 120 MB belegte und damit denkbar netzuntauglich war. (Das habe ich dann später auf weniger als ein Zehntel eindampfen können.) Wie nun extrahiert man daraus die Bilder? Nun, wenn man Ghostscript und GSView installiert hat, so können über die Konvertierungsfunktion einzelne Seiten als PNG exportiert werden – am häufigsten wird man wohl "pngmono" für reine 1-Bit-Schwarzweiß-Vorlagen, "pnggray" für graustufige Dinge und "png16m" für Echtfarben nutzen, die vorliegende Auflösung muß man mehr oder weniger durch Ausprobieren herausfinden.
PDF-Export
Für den PDF-Export gibt es mehrere Möglichkeiten. Ich nutze z.B. FreePDF XP
(inzwischen nur noch FreePDF genannt), welches wie wahrscheinlich alle freien
Tools das bereits erwähnte Ghostscript nutzt und als Drucker eingebunden wird
(es wird dann mit dem Treiber eines Postscript-fähigen Druckers zuerst dieses
erzeugt und dann nach PDF umgewandelt). Es bietet die Möglichkeit,
Druckaufträge zurückzustellen und erst hinterher zusammen in ein PDF zu gießen,
was nicht unpraktisch ist, nachdem Grafikprogramme aus unerfindlichen Gründen
oft nicht mehrseitig drucken können (bei XnView: aus dem Dateibrowser mehrere
Dateien markieren und drucken).
Eine Stolperfalle ist die Einstellung der jeweils zu verwendenden
Kompression, bei "Default" scheint für farbige oder graustufige Bilder JPEG das
Standardverfahren zu sein. Umstellen läßt sich dies, wenn man im aus der
jeweiligen Anwendung aufzurufenden Eigenschaftendialog des FreePDF-"Druckers"
die Schaltfläche "Erweitert" betätigt und damit das Fenster "Erweiterte
Optionen für Apple Color LW 12/660 PS" hervorzaubert. Unter dem Punkt
"Dokumentoptionen" und darunter wiederum "Druckermerkmale" finden sich dann
u.a. die Einstellungen "PDF Colour Image Compression" (für Farbbilder) und
"PDF Grey Image Compression" (für Graustufenbilder) mit Wahlmöglichkeiten
"JPEG" (verlustbehaftet) und "Flate" (verlustfrei, Kompressionsrate
vergleichbar GIF). Auch dem Punkt "PDF Compatibility" darf man etwas
Aufmerksamkeit widmen
(Details).
Zu den "PDF Settings" gibt die Seite zu ps2pdf
in der
Ghostscript-Doku Auskunft. Letztlich ist ggf. auch die "Druckqualität" unter
"Grafik" anzupassen. Auch ein benutzerdefiniertes Seitenformat läßt sich in
diesem Dialog festlegen.
Noch ein Trick: Bei graustufigen Vorlagen den FreePDF-"Drucker" von Farb-
auf Schwarzweißdruck umstellen, das spart Dateigröße.
Man achte ggf. darauf, daß evtl. vorhandene auf zwei Seiten verteilte
doppelseitige Pläne von den Seitenzahlen her so eingebunden werden, daß sie
nachher auch entsprechend dargestellt werden.
Übrigens: Die Idee mit mehreren Ebenen, wie man sie von DjVu (s.u.) her kennt, wird beim Bildimport von Adobe Acrobat schon seit mindestens Version 6 genutzt. Irgendeinen Vorteil muß ein kommerzielles Programm ja auch haben...
PDFs bearbeiten
Die nachträgliche Bearbeitung von PDFs ist von jeher ein etwas heikles Thema. Mit Ghostscript ist oft nicht einmal das Zusammenfügen ohne Qualitätsverlust möglich, weil JPEG-codierte Bilder dabei neu komprimiert werden. Ganz hervorragend eignet sich dafür hingegen pdftk (für "PDF Toolkit") – Seiten einzeln extrahieren, neu zusammenstellen, rotieren, mit Wasserzeichen versehen, alles kein Thema. Der kommandozeilenscheue Windowsnutzer kann auch auf GUIs wie PDFTK4ALL zurückgreifen, einzig die Funktionalität zum Lesen und Schreiben der Metadaten ist dort nicht verfügbar – schade, denn genau dies ist nicht eben übertrieben benutzerfreundlich gelöst.
DjVu
Eine mögliche Alternative zu PDF stellt das DjVu-Format dar. Durch Ziehen aller Register wie Ebenenerkennung, Wavelet-Kompression und OCR (siehe auch Wikipedia: DjVu) können hier teils beeindruckende Kompressionsraten erzielt werden, ohne daß das Resultat total furchtbar aussähe. Allerdings sind die Einstellmöglichkeiten in DjVu Solo 3.1 (mit DjVuLibre kann IMO kein normaler Mensch was anfangen) sehr begrenzt und die Kompression sehr aggressiv eingestellt, zudem wäre mir nicht bekannt, wie man OCR-Fehler (die will man gerade bei Zahlenwerten tunlichst nicht haben) korrigieren könnte. Schade eigentlich. Einen Versuch ist das Format allemal wert, wenn die "konventionellen" Methoden keine genügend kleine Dateigröße zustandebringen.
Tip: Bei DjVu dürfen die verarbeiteten Bilder ruhig etwas größer sein. Das bedeutet nicht automatisch auch eine höhere End-Dateigröße, ganz im Gegenteil. Beim RP-20-Schaltplan habe ich mir noch einmal die Bilder mit 300 dpi vorgeknöpft, den Schwarzpunkt noch etwas angepaßt und nachgeschäft, dann DjVu Solo 3.1 als "Scanned" vorgesetzt, heraus kam dieses Ergebnis (63K). Typische Artefakte fallen natürlich ins Auge, und ein Konzept mit mehr Ebenen hätte sicher Vorteile, aber sonst durchaus brauchbar.
Häufige Fehler
Falsch machen kann man grundsätzlich bei allen Schritten etwas. Zu den gängigen vermeidbaren Problemen von im Netz zu findender Service-Doku gehören:
- Durchdrückende rückseitige Inhalte durch Verwendung eines ungeeigneten (hellen) Hintergrunds (nicht korrigierbar)
- Nicht durchgeführte Schwarz- und Weißpunktanpassung
- Verkleinerung mit ungeeigneten Primitivalgorithmen wie "nächster Nachbar" (nicht korrigierbar)
- Umwandlung in Monochrombild (1-Bit) bei ungenügender Auflösung (nicht korrigierbar)
- Monochrombild (1-Bit) abgespeichert als JPEG
- Seitensortierung Marke "Kraut und Rüben" (bei mehrteiligen Schaltplänen kann es ziemlich ärgerlich sein, wenn man sich die richtige Reihenfolge erst zusammenpuzzeln muß)