Hightech made in GDR - RFTs HMK-x200-Serie

Diese Serie von Hifi-Komponenten ist deshalb besonders interessant, weil sie erst kurz vor der Wende herauskam. Außerdem ist die Beschriftung erstaunlicherweise englischsprachig.

Die Serie bestand (mindestens) aus:

Eine Fernbedienungseinheit war in Arbeit, wurde aber nie fertiggestellt (so wäre es dieser Seite auch fast ergangen <g>).
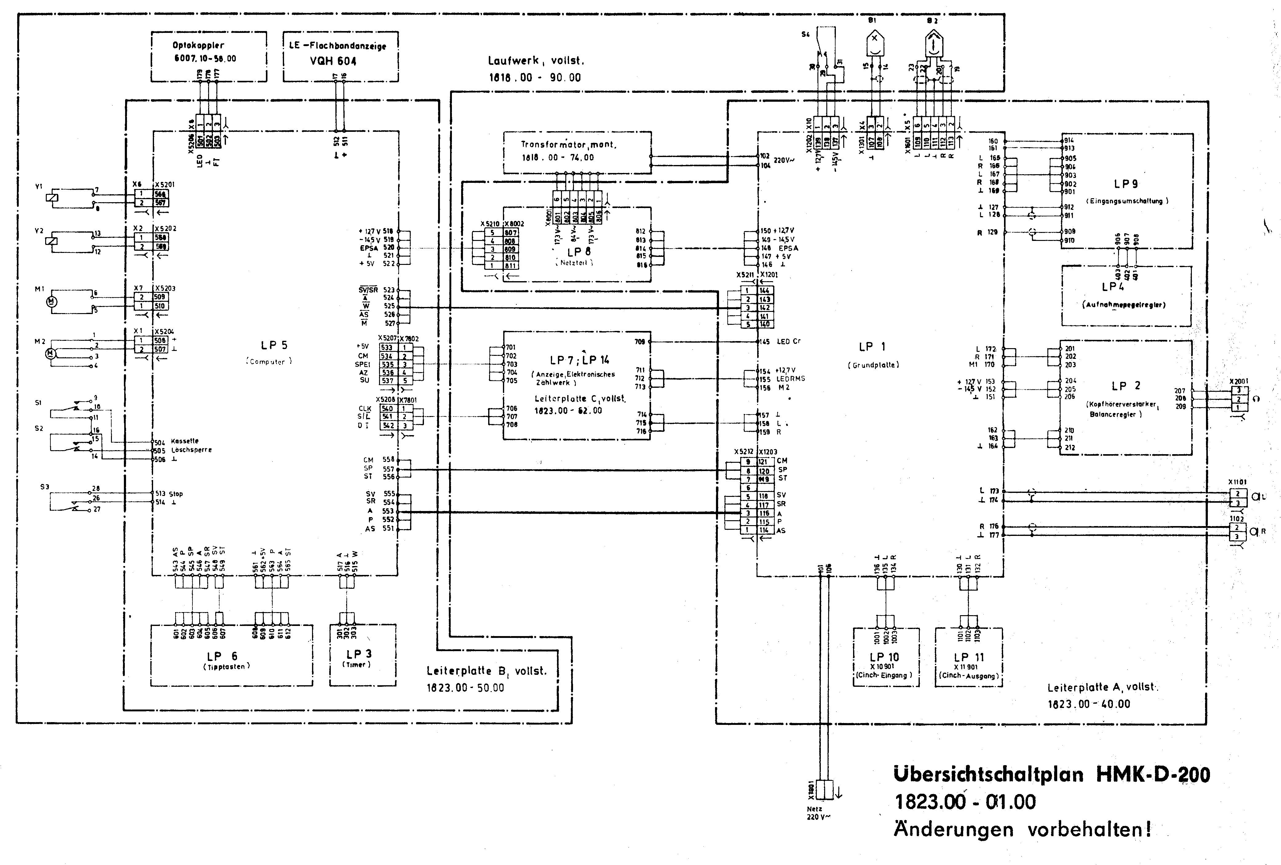
Schaltpläne können nach Klick auf das Schaltplanbildchen Schaltplanbildchen bestaunt (oder - wenn der Browser nicht mitmacht - wenigstens heruntergeladen) werden. Die Tabellen "Erfüllte Normen" und "Technische Daten" basieren auf den auf den Anleitungen abgedruckten Daten.

HMK-D200Übersichtsschaltplan HMK-D200
HMK-D200

Erfüllte Normen
HiFi-Gerät gemäß TGL 27616
 
Technische Daten
Stromversorgung 220 V, 50 Hz
Abmessungen (BHT) 390 x 123 x 270 mm
Masse ~6 kg
Leistungsaufnahme 30 W
Gebrauchslage Frontlader
Kassette senkrecht
Magnetköpfe unten
Arbeitsgeschwindigkeit 4,76 cm/s
Abweichungen Arbeitsgeschwindigkeit <=1,0 %
Tonhöhenschwankungen *) <=0,15% (0,18%)
Übertragungsbereich (über Band)
Fe:
40 - 14000 (12500) Hz
Cr:
40 - 16000 (14000) Hz
*) Anmerkung: Daten sind typ. Werte; Werte in Klammern sind Grenzwerte.

HMK-T200Schaltplan HMK-T200 Teil 1Schaltplan HMK-T200 Teil 2
HMK-T200
(Abb. auf Handbuch; meiner: schwarze Frontplatte mit anderer Beschriftung)

Erfüllte Normen
HiFi-Gerät gemäß TGL 8836, TGL 28660
 
Technische Daten (Rückseite Anleitung)
Stromversorgung 220 V, 50-60 Hz
Abmessungen (BHT) 390 x 60 x 264 mm
Masse 4,25 kg
Wellenbereiche
LW 153-279 kHz
MW 531-1602 kHz
UKW 87,5-108 MHz
Empfindlichkeit UKW (75 Ohm)
Mono (30 dB S/N) 1,3 µV
Stereo (46 dB S/N) 32 µV
UKW-ZF-Dämpfung 80 dB
Spiegelfrequenzfestigkeit UKW 60 dB
Trennschärfe (300 kHz Abstand) 65 dB
Geräuschspannungsabstand UKW 60 dB
Ausgangsspannung 500 mV
Ausgangswiderstand 10 kOhm

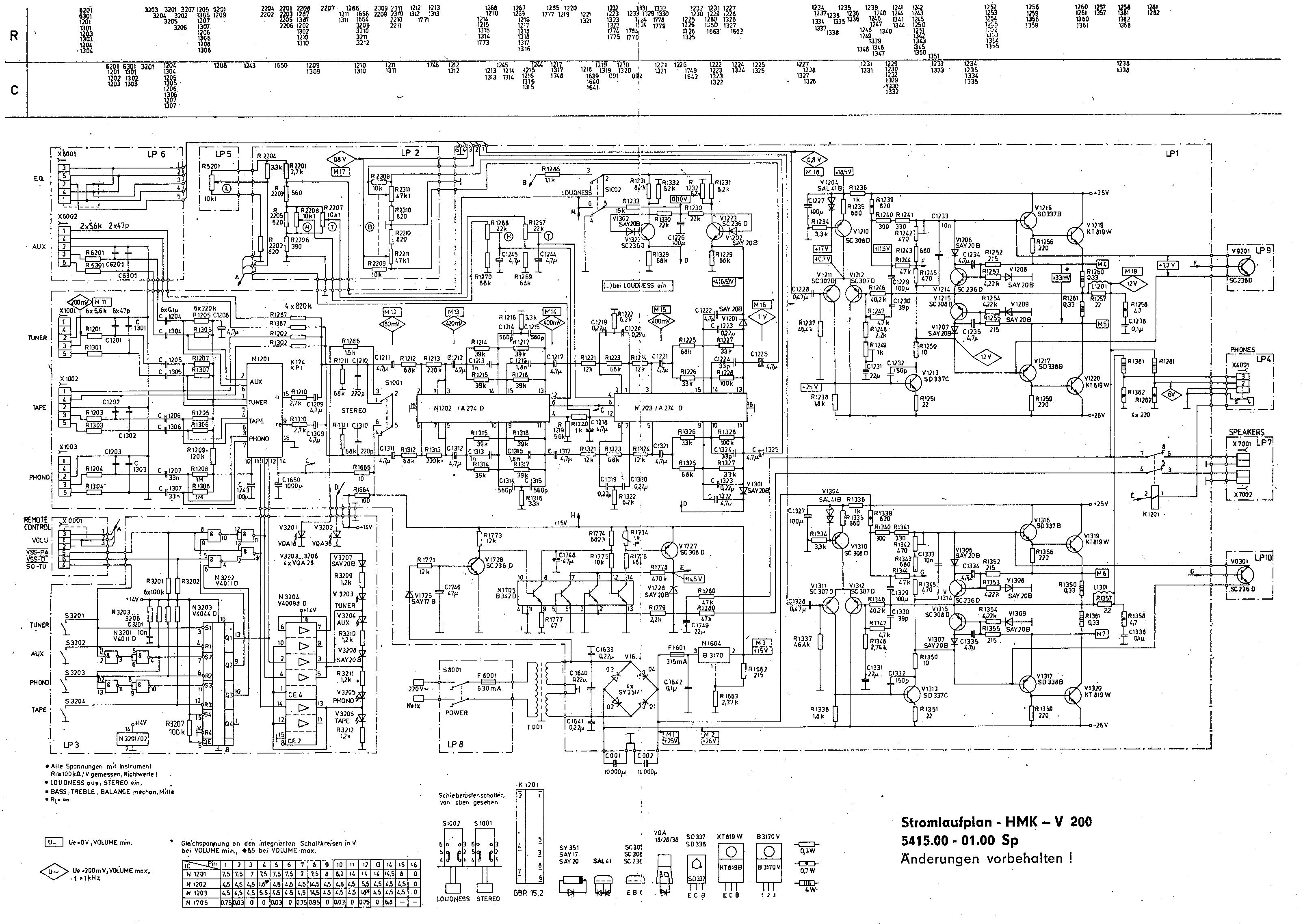
HMK-V200Schaltplan HMK-V200
HMK-V200

Erfüllte Normen
Stereo-NF-Vollverstärker nach TGL 43872
HiFi-Gerät gemäß TGL 28660/05
Sicherheitsanforderungen erfüllt nach TGL 200-7045
 
Technische Daten HMK-V200 (Rückseite Anleitung)
Stromversorgung 220 V ± 10 %, 50-60 Hz
Abmessungen (BHT) 390 x 60 x 300 mm
Masse 5 kg
Leistungsaufnahme
Nennbedingungen:
120 W
Normalbedingungen (3 W Output):
50 W
Nenneingangsspannung
(Nenn-Quell-EMK)
500 mV
Eingangsempfindlichkeit
(Minimale Quell-EMK)
200 mV
Überlastspannung
(Überlast-Quell-EMK)
2 V
Nennbelastungsimpedanz 4 Ohm
Nennausgangsleistung (Sinus) 
bei Klirrfaktor k<=0,5 %
30 W
Dämpfungsmaß 1 dB
Übertragungsbereich 20 Hz - 25 kHz
Leistungsbandbreite 20 Hz - 20 kHz
Fremdspannungsabstand 73 dB
Geräuschspannungsabstand 75 dB
Übersprechdämpfung zwischen den Kanälen
bei 1 kHz:
50 dB
von 250 Hz - 10 kHz:
43 dB
Übersprechdämpfung zwischen den Eingängen
bei 1 kHz:
60 dB
von 250 Hz - 10 kHz:
50 dB
Stellbereich der Klangsteller
bei 40 Hz:
+12 dB
bei 16 kHz:
+12 dB

<= Zurück zur Homepage

Erstellt am 06.11.1999
Zuletzt bearbeitet am 03.08.2000
Autor: Stephan Großklaß